Biloba BL 8015 BT JC sklo/sklo - kyvný pant pro saunové dveře
| ID produktu: | 29888 |
Pant pro kyvné skleněné dveře s vysokým zatížením. Vhodné pro objekty i rezidenční projekty. Speciální konstrukce a mechanika umožňuje použití pantu nejen pro saunové dveře.
Testováno na 1 milion otevíracích cyklů.
- Hydraulická mechanika
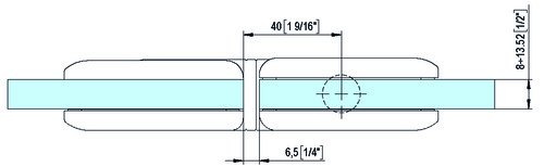
- Instalace sklo/sklo
- Nastavením rychlosti zavírání dveří
- Seřízení nulové pozice
- Přidržení otevření v úhlu + 90° a - 90°.
- Automatické zavírání od + 80° a - 80°
- Nosnost 100 kg / 2 panty
- Vhodné pro tloušťku skla 8-13,52 mm
Vnitřní tělo eloxované speciální hlubokou oxidací (20 mikronů)
Pant je bez povrchové úpravy. Je potřeba objednat samostatně krytku.
Uvedená cena je za 1 kus pantu.



Některé speciální povrchové úpravy CO 016/CO 017/CO 015/CO 088/CO 095 nemusí být ve výrobě skladem a je vyžadován minimální objednací počet pro realizaci.
V případě objednávky speciálního povrchu budete kontaktováni naším obchodním oddělením a domluvíme detaily.
VIDEA
PŘÍSLUŠENSTVÍ
Biloba BL 8015 BT JC C - krytka pantu
SIMONSWERK
CENA OD 0 € Termín bude prověřen u dodavatele DETAIL PRODUKTU

Přijímáme platby platebními kartami