Panikový zámek pro dvoukřídlé dveře SSF Serie FH 62 APD OV pro táhlo, klika/klika
Panikový zámek pro dveře vyráběný na zakázku dle potřeby zákazníka
Zámek je vhodný pro aktivní dvoukřídlové dveře kdy požadujeme aby se otevřela obě křídla dveří najednou po stisknutí jedné kliky nebo hrazdy.
Příprava pro horní táhlo = zámek je připraven pro instalaci táhla k zajištění dveřního křídla v horní zárubni. Vhodné pro vysoké panikové dveře.
Táhlo a příslušenství k němu je nutné objednat samostatně v příslušenství.
Pro funkci APD je možné specifikovat směr otevírání (dovnitř/ven)
Paniková funkce D = Z venkovní strany je možné otevřít klikou pouze za předpokladu, že jsou dveře odemčené. Jsou-li zamčené, je funkční pouze panikový únik zevnitř a venkovní klika je nefunkční.
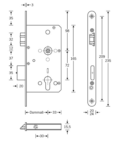
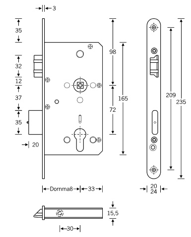
Rozteč 72 mm
Ořech poniklovaný 9 mm dělený - kování musí být osazeno děleným čtyřhranem.
Možnosti provedení:
Otevírání: ve směru úniku, protisměru úniku
Backset: 55, 60, 65, 80 mm
Čelo zámku nerez, délka 235, šířka: 20, 24 mm
Střelka a ořech ze slitiny Siliziumtombak. Střelka je opatřena polyamidovou aplikací pro tlumení nárazů
Tělo zámku pozinkované, uzavřené
Upozornění: V panikových zámcích mohou být použity běžně dostupné cylindrické vložky. Nikdy však nesmí zůstat klíč ve vložce, jestliže je uzamčeno.
Panikový zámek může klíč ve vložce zlomit při otevření klikou!
Tento model je vyráběn vždy na individuální zákaznickou objednávku podle specifikace rozměru. Platí tedy ustanovení § 1837 NOZ.
Pro zobrazení velkoobchodních cen se prosím přihlašte nebo registrujte.
Levé provedení
Pravé provedení
PŘÍSLUŠENSTVÍ
Panikový zámek pro pasivní křídlo SSF Serie FH 62 GK
SSF
CENA OD 210,29 € Termín bude prověřen u dodavatele DETAIL PRODUKTU

Přijímáme platby platebními kartami