EVO EV 835E10 N - samozavírací pant pro skleněné dveře Šedá matná (CO 015), Levé provedení
| ID produktu: | 29950 |
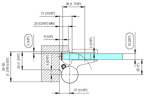
Samouzavírací dveřní pant pro skleněné dveře jednostranně otevírané. Hydraulická mechanika pantu umožňuje použití ve veřejných objektech i privátních realizacích.
- hydraulická mechanika
- pro použití s kombinací stěna-sklo
- pro jednostranně otvírané vnější dveře, které jsou chráněny před nepříznivými povětrnostními podmínkami.
- s nastavením rychlosti zavírání
- s regulací stálého brzdění
- dveře se otevírají až o 180°
- zastavení v úhlu + 90°
- automatické zavírání od + 80°
- instalováno na dveře s profilem na doraz
- nosnost 120kg / 2 panty
- hloubka falcu od 30 do 50 mm
Závěs má zatížení, a proto je nutný zavírací doraz.
V případě instalace ve zvláštním prostředí nebo klimatu (např. vlhkém, kyselém, solném) se nejprve poraďte s prodejní kanceláří.
![]()
Potřebujete speciální cenu na tento produkt vzhledem k množství či povaze projektu?

Přijímáme platby platebními kartami