Panikový zámek pro dvoukřídlé dveře SSF Serie FH 62 APB OV, pro táhlo, klika/klika
Panikový zámek pro dveře vyráběný na zakázku dle potřeby zákazníka
Zámek je vhodný pro aktivní dvoukřídlové dveře kdy požadujeme aby se otevřela obě křídla dveří najednou po stisknutí jedné kliky nebo hrazdy a aktivní křídlo bylo zajištěno ještě horním táhlem.
Příprava pro horní táhlo = zámek je připraven pro instalaci táhla k zajištění dveřního křídla v horní zárubni. Vhodné pro vysoké panikové dveře.
Táhlo a příslušenství k němu je nutné objednat samostatně v příslušenství.
Pro funkci APB je možné specifikovat směr otevírání (dovnitř/ven)
Paniková funkce B = K otevření dveří zvenku je třeba použít klíč a následně stisknout kliku. Pro užití únikové funkce (otevření dveří zevnitř i bez klíče) jsou dveře po zabouchnutí zvenku přístupné pouze za pomoci klíče. Po odemknutí cylindrindrické vložky je možné používat dveře běžně klikou z obou stran.
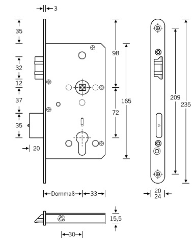
Rozteč 72 mm
Ořech poniklovaný 9 mm dělený - kování musí být osazeno děleným čtyřhranem.
Možnosti provedení:
Otevírání: ve směru úniku, protisměru úniku
Backset: 55, 60, 65, 80 mm
Čelo zámku nerez, délka 235, šířka: 20, 24 mm
Střelka a ořech ze slitiny Siliziumtombak. Střelka je opatřena polyamidovou aplikací pro tlumení nárazů
Tělo zámku pozinkované, uzavřené
Upozornění: V panikových zámcích mohou být použity běžně dostupné cylindrické vložky. Nikdy však nesmí zůstat klíč ve vložce, jestliže je uzamčeno.
Panikový zámek může klíč ve vložce zlomit při otevření klikou!
Tento model je vyráběn vždy na individuální zákaznickou objednávku podle specifikace rozměru. Platí tedy ustanovení § 1837 NOZ.
Pro zobrazení velkoobchodních cen se prosím přihlašte nebo registrujte.
Levé provedení
Pravé provedení
PŘÍSLUŠENSTVÍ
Panikový zámek pro pasivní křídlo SSF Serie FH 62 GK
SSF
CENA OD 210,29 € Termín bude prověřen u dodavatele DETAIL PRODUKTU

Přijímáme platby platebními kartami