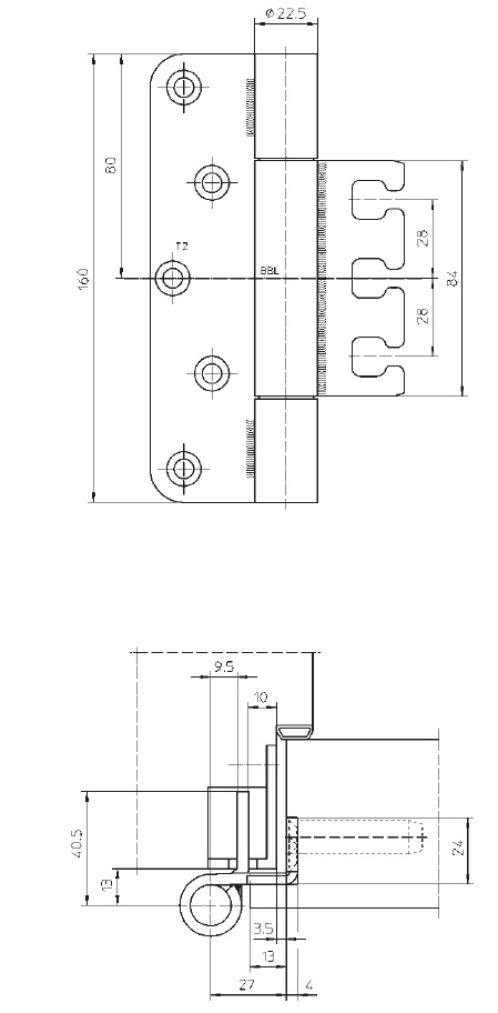
Simonswerk Variant VX 7939/160-4 VBRplus Nerez kartáčovaná
| ID produktu: | 4840 |
Závěs pro falcové dveře v objektovém provedení s vysokým zatížením
Odolný proti ohni a kouři
Seřizovatelný ve třech dimenzích
Tloušťka materiálu 4 mm
Provedení pravolevé
Nosnost páru pantů: 400 kg
Nutné přikoupit odpovídající kapsu do zárubně.
Baleno po 2 ks. Lze objednat i jiný počet, je však potřeba počítat s příplatkem za rozbalení.
Uvedená cena za 1 ks

Potřebujete speciální cenu na tento produkt vzhledem k množství či povaze projektu?
VIDEA
PŘÍSLUŠENSTVÍ
Upevnění do zárubně Simonswerk VX 7531 3D
SIMONSWERK
CENA 563 Kč Termín bude prověřen u dodavatele DETAIL PRODUKTU
Upevnění do zárubně Simonswerk VX 7501 3D nerez
SIMONSWERK
CENA 963 Kč Termín bude prověřen u dodavatele DETAIL PRODUKTU

Přijímáme platby platebními kartami