Panikový zámek Assa Abloy N1600, klika/klika, instalace i proti směru úniku
| ID produktu: | 31533 |
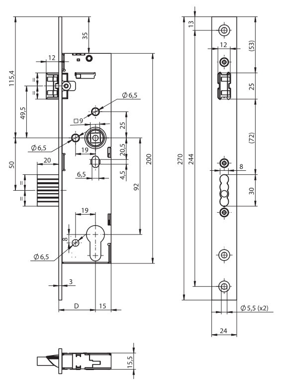
Univerzální zadlabací panikový zámek klika/klika s možností instalace proti směru úniku.
Mechanický zadlabací panikový zámek ovládání cylindrickou vložkou
- panikový zámek dle norem EN1125 a EN179
- jednozápadový, pravo/levý
- varianta ,,B"" klika/klika - dělený ořech 9 mm
- dornmass 35 mm, čelo 24 mm
- tzv. tichá střelka - s plastovým tlumením nárazů
- přeměnu zámku z pravého na levý a naopak lze provést odklopením zarážky umístěné za vodítkem střelky, kdy se střelka uvolní a otočí o 180°
změna strany panikové funkce pomocí šroubky
Certifikace dle EN 179 a EN 1125

Přijímáme platby platebními kartami