Úzký dveřní zámek SSF Serie 02, panikový, U - čelo
Úzký zámek pro rámové dveře hliníkové nebo plastové s drážkou.
Třída 3 - pro objektové dveře s vysokou zátěží dle DIN 18251-2
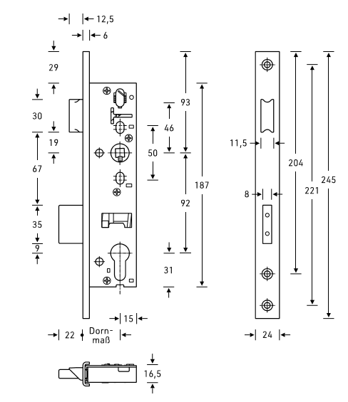
Čelo: Tvar U nerez kartáčovaná délka 245 mm / výška 6 mm
Certifikace dle EN 1125 + DIN EN 179
Zámek pro kombinaci klika/klika s nutností děleného čtyřhranu (dělený ořech)
Paniková funkce D = Z venkovní strany je možné otevřít klikou pouze za předpokladu, že jsou dveře odemčené. Jsou-li zamčené, je funkční pouze panikový únik zevnitř a venkovní klika je nefunkční. Nutno určit stranové provedení.
Primární otevírání dveří ve směru úniku. Na objednávku lze dodat i s obrácenou panikovou funkcí.
Paniková funkce B = K otevření dveří zvenku je třeba použít klíč a následně stisknout kliku. Pro užití únikové funkce (otevření dveří zevnitř i bez klíče) jsou dveře po zabouchnutí zvenku přístupné pouze za pomoci klíče. Po odemknutí cylindrindrické vložky je možné používat dveře běžně klikou z obou stran.
Nutno určit stranové provedení.
Primární otevírání dveří ve směru úniku. Na objednávku lze dodat i s obrácenou panikovou funkcí.
Zámek pro kombinaci klika/koule (nedělený ořech 9 mm)
Paniková funkce E = Z venkovní strany lze otevřít pouze klíčem. Z vnitřní strany je možné otevřít a odemknout pouhým stiskem kliky nebo klíčem.
Střelka: pravolevá - jednoduché otočení jedním tlačítkem.
Rozteč: 92 mm
Ořech zámku: 9 mm dělěný / nedělený
Na objednávku jsou dostupné tyto varianty:
Tichá střelka
Pro zobrazení velkoobchodních cen se prosím přihlašte nebo registrujte.

Přijímáme platby platebními kartami