Dveřní kliky s rozetami
Dveřní kliky FSB Plug-in, bez rozety
Kování FSB s integrovaným zamykáním
Stavebnice kování FSB
Kování v černé barvě
Dveřní magnet Simonswerk Keep Closed
Dveřní kliky se štítky
Dveřní madla
Bezpečnostní kování
Rustikální dveřní kování
Elektronické zámky a kování Südmetall
Elektronické produkty Assa Abloy
Automatické padací prahy Planet
Dveřní zámky
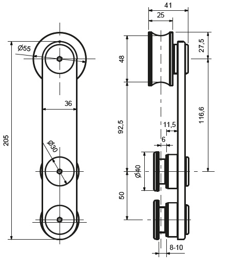
Kování pro posuvné dveře
Kování pro hliníkové a rámové dveře
Panikové kování pro únikové dveře
Dveřní zavírače Assa Abloy
Cylindrické vložky Winkhaus
Dveřní koule
Dveřní doplňky
Kování pro speciální použití
Výprodej
Kování pro skleněné dveře
Kování pro skleněné posuvné dveře
Kování pro sprchové kouty
Držáky skleněné výplně zábradlí
Bodové úchyty pro sklo
Profily pro francouzské balkony
Kotvící profily pro skleněné zábradlí
Spigoty a zábradlí k bazénům
Automatické padací lišty pro skleněné dveře
Madla pro skleněná zábradlí
Twister pro skleněné zábradlí
Kování pro skleněné stříšky
Sadev architektonické systémy pro sklo
Doplňky kotvících profilů skleněného zábradlí
Potřebujeme Váš souhlas s použitím souborů cookies, aby Vám mohli lépe přizpůsobit webové stránky a usnadnit jejich používání. Kliknutím na tlačítko "Souhlasím" souhlasíte s uložením cookies do Vašeho prohlížeče, díky kterým využijete potenciál webu naplno. Podrobnosti najdete na stránce "Informace o cookies".
