Objektový dveřní zámek SSF Serie 52 NV, stavitelný ořech, 5.třída Cylindrická vložka, 60 mm, 24 mm
| ID produktu: | 25513 |
Zámek pro plné těžké objektové dveře umístěné v extrémně zatížených prostorech, střelka a závora vyosené, provedení pravolevé
Zámek má speciální funkci, kdy lze seřídit úhel ořechu o 2°.
Vhodné pro kování se čtvercovými rozetami a ostrými hranami
Třída 5 dle DIN 18 250-1 pro objektové dveře
Tichá střelka
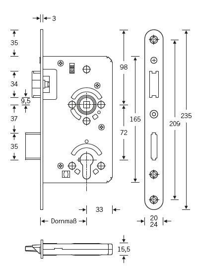
Čelo nerezové - šířka 20x 235 mm
Provedení - PZ - pro cylindrickou vložku, WC - uzamykání 8 x8 mm čtyřhran
Backset - 55
Rozteč - PZ = 72 mm WC = 78 mm
Ořech - 8 mm
Základní výbava zámku:
Ořech z pozinkované oceli s polyamidovým ložiskem
Střelka a závora z pozinku, termicky pevně spojené s vodícími prvky z polyamidu pro tlumení hluku v zámku a na střelce
Tělo zámku po celém obvodu uzavřené pozinkované
Na objednání lze zámek upravit takto:
Čelo zámku z ostrými rohy
Čelo zámku v povrchové úpravě stříbrná metalíza, bílá barva, mosaz leštěná
Čelo šířka 24 mm
Dornmass 60/65/70/80/100 mm
Čtyřhran 9 mm / 10 mm
Pro více informací o speciálních úpravách zámků kontaktujte, prosím, naše obchodní oddělení.
Potřebujete speciální cenu na tento produkt vzhledem k množství či povaze projektu?

Přijímáme platby platebními kartami